O NÁS
PRODUKTY
INFORMACE
SERVIS
ENGINEERING
Kuličkové šrouby
STK/STC
SLK
MBS
SDK
SDH
Lineární vedení
SBI
SBG-FLL
SBG-SL
SBG-SV
Video
OPIS Engineering k.s. Selská 64
61400 Brno Czech Republic
Tel: +420 543 330 057
Email:
info@opis.cz
HOME
PRŮMYSLOVÉ PRODUKTY
KULIČKOVÉ ŠROUBY
SBCLINEAR
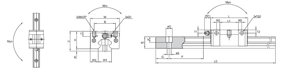
SBG-SV Lineární vedení
Lineární vedení SBC splňuje evropské normy DIN.
KATALOG
KATALOG
1 strana
velikost 2 MB
44 stran
7 MB